变频器的功能是将工频(50Hz或60Hz)交流电源转换成频率可变的交流电源提供给电动机,通过改变交流电源的频率来对电动机进行调速控制。变频器种类很多,主要可分为两类:交-直-交型变频器和交-交型变频器。
交-直-交型变频器利用电路先将工频电源转换成直流电源,再将直流电源转换成频率可变的交流电源,然后提供给电动机,通过调节输出电源的频率来改变电动机的转速。

交-交型变频器利用电路直接将工频电源转换成频率可变的交流电源并提供给电动机,通过调节输出电源的频率来改变电动机的转速。

交-交变频电路一般只能将输入交流电频率降低输出,而工频电源频率本来就低,所以交-交型变频器的调速范围很窄,另外这种变频器要采用大量的晶闸管等电力电子器件,导致装置体积大、成本高,故交-交型变频器使用远没有交-直-交型变频器广泛,因此昌晖仪表主要介绍交-直-交型变频器。

端子记号 端子名称说明R、S、T 交流电源输入 连接工频电源。但使用高功率因素转换器时,确保这些端子不连接(FR-HC)U、V、W 变频器输出 连接三相鼠笼电机
R1、SI 控制回路电源 与交流电源端子R、S连接。在保持异常显示和输出时或当使用高功率因素转换器
P、PR连接制动电阻器 拆开端子PR-PX之间的短路片,在P-PR之间连接选件制动电阻器
P、N 连接制动单元 连接选件FR-BU型制动单元或电源再生单元或高功率因素转换器
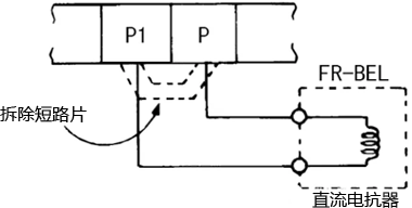
P、P1 连接改善功率因素DC电抗器拆开端子P-P1间的短路片,连接选件改善功率因素用电抗器(FR-HC)
PR、PX 连接内部制动回路 用短路片将PX-PR间短路时(出厂设定)内部制动葫芦变生效
变频器主回路接线端子排如下图所示。端子排上的R、S、T端m6米乐官网 米乐M6平台入口子与三相工频电源连接,若与单相工频电源连接,必须接R、S端子;U、V、W端子与电动机连接;P1、P端子,RP、PX端子,R、R1端子和S、S1端子用短接片连接;接地端子用螺丝与接地线连接固定。


P、P1端子外接短路片(或提高功率因素的直流电抗器),将整流电路与逆变电路连接起来。
PX、PR端子外接短路片,将内部制动电阻和制动控制器件连接起来。如果内部制动电阻制动效果不理想,可将PX、PR端子之间的短路片取下,再在P、PR端外接制动电阻。
P、N端子分别为内部直流电压的正、负端,如果要增强减速时的制动能力,可将PX、PR端子之间的短路片取下,再在P、N端外接专用制动单元(即制动电路)。
R1、S1端子内接控制电路,外部通过短路片与R、S端子连接,R、S端的电源通过短路片由R1、S1端子提供给控制电路作为电源。如果希望R、S、T端无工频电源输入时控制电路也能工作,可以取下R、R1和S、S1之间的短路片,将两相工频电源直接接R1、S1端。
在连接时要注意电源线绝对不能接U、V、W端,否则会损坏变频器内部电路,由于变频器工作时可能会漏电,为安全起见,应将接地端子与接地线连接好,以便泄放变频器漏电电流。

变频器的选件较多,主要有外接制动电阻、FR-BU制动单元、FR-HC提高功率因数整流器、FR-RC能量回馈单元和改善功率因数直流电抗器等。下面就先介绍常用的外接制动电阻和直流电抗器的连接,其它选件的连接可参见三菱FR-A540型变频器使用手册。
先将PR、PX端子间的短路片取下,然后用连接线将制动电阻与PR、P端子连接。


控制回路电源端子R1、S1默认与R、S端子连接。在工作时,如果变频器出现异常,可能会导致变频器电源输入端的断路器(或接触器)断开,变频器控制回路电源也随之断开,变频器无法输出异常显示信号。为了在需要时保持异常信号,可将控制回路的电源R1、S1端子与断路器输入侧的两相电源线连接,这样断路器断开后,控制回路仍有电源提供。

FR-A540型变频器有漏型和源型两种控制逻辑,出厂时设置为漏型逻辑。若要将变频器的控制逻辑改为源逻辑,可按下图进行操作,具体操作过程如下:
松开控制回路端子排螺丝,取下端子排;在控制回路端子排的背面,将控制逻辑设置跳线上的短路片取下,再安装到旁边的另一个跳线上。这样就将变频器的控制逻辑由漏型控制转设成源型控制。


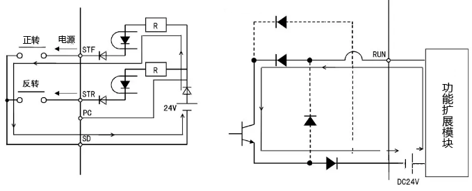
图中的正转按钮接在STF端子与SD端子之间,当按下正转按钮时,变频器内部电源产生电流从STF端子流出,经正转按钮从SD端子回到内部电源的负极,该电流的途径如图所示。另外,当变频器内部三极管集电极开路输出端需要外接电路时,需要以SE端作为公共端,外接电路的电流从相应端子(图中的RUN端子)流入,在内部流经三极管,最后从SE端子流出,电流的途径如图中箭头所示,图中虚线连接的二极管表示在漏型控制逻辑下不导通。

图中的正转按钮需接在STF端子与PC端子之间,当按下正转按钮时,变频器内部电源产生电流从PC端子流出,经正转按钮从STF端子流入,回到内部电源的负极,该电流的途径如图所示。另外,当变频器内部三极管集电极开路输出端需要外接电路时,须以SE端作为公共端,并要求电流从S米乐 登录入口E端流入,在内部流经三极管,最后从相应端子(如图中的RUN端子)流出,电流的途径如图中箭头所示,图中虚线连接的二极管表示在源型控制逻辑下不能导通。

需要进行停止控制时使用该端子。上图中的停止按钮是一个常闭按钮,当按下正转按钮时,STF端子会流出电流,途径是:STF端子流出→正转按钮→STOP端子→停止按钮→SD端子流入,STF端子有电流输出,表示该端子有正转指令输入,变频器输出正转电源给电动机,让电动机正转。松开正转按钮,STF端子无电流输出,电动机停转。如果按下停止按钮,STOP、STF、STR端子均无法输出电流,无法启动电动机运转。

在需要进行瞬时掉电再启动和工频电源与变频器切换时使用该端子。例如在漏型逻辑下进行瞬时掉电再启动,先将端子CS-SD短接,再将参数Pr.57设定为除“9999”以外的“瞬时掉电再启动自由运行时间”。
使用PC、SD端子可向外提供直流24V电源时,PC为电源正极,SD为电源负极(公共端)。PC端可向外提供18V至26V直流电压,容许电流为0.1A。

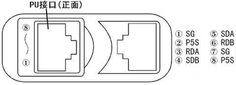
计算机与单台变频器连接时,PU接口的米乐 登录入口连接如下图所示。在连接时,计算机的RS485接口和变频器的PU接口都使用RJ45接头(俗称水晶头),中间的连接线BASE-T电缆(如计算机联网用的双绞线)。
由于PU接口的引脚②和引脚⑧的功能是为操作面板提供电源,在与计算机进行RS485通讯时不用这些引脚。
计算机与多台变频器连接时,PU接口的连接如下图所示。图中分配器的功能是将一路信号分成多路信号,另外,由于传送速度、距离的原因,可能会出现信号反射造成通信障碍,为此可给最后一台变频器的分配器安装终端阻抗电阻(100Ω)。
由于大多数计算机不带RS485接口,而带RS232C接口(串口,又称COM口)的计算机较多,为了使带RS232C接口的计算机也能与PU口连接,可使用RS232C转RS485接口转换器。
很感谢您耐心读完本文!到此相信你对变频器的端子功能和变频器接线图已经有了初步的认识,但这还不够,要想熟练调试和运用变频器,最好在阅读本站“变频器
上一篇:变频器一开,仪表信号乱跳!变频器干扰问题六大解决方案下一篇:变频器PID控制模式实现恒压供水的一些经验与在线工程师QQ交流